产品用途 LH42118 系列电路是一种专门为工作在高温及宽温环境而设计的精密正稳压电源电路,该电源具有输出不随输入电压、负载电流、环境温度变化的特点, 在不外接滤波电容的情况下,输出噪声小于 1mV,能在 200℃壳温下长期可靠工作,与国外同型号产品相比,电压调整率和负载调整率更小。可以根据客户要求定制+250℃壳温的产品。
绝对最大额定值 | 输出电流:1A
| 输入电压:40V
| 工作温度(壳温):-55~+200℃
| 贮存温度:-65~+200℃
| 功率:8W
电气特性 
1 :42118-1.2 、42118-1.5 、42118-1.8 输入电压最高为 20V,测试时输入电压 Vout+3V
2 :42118-3.3 最低输入电压为 7.5V
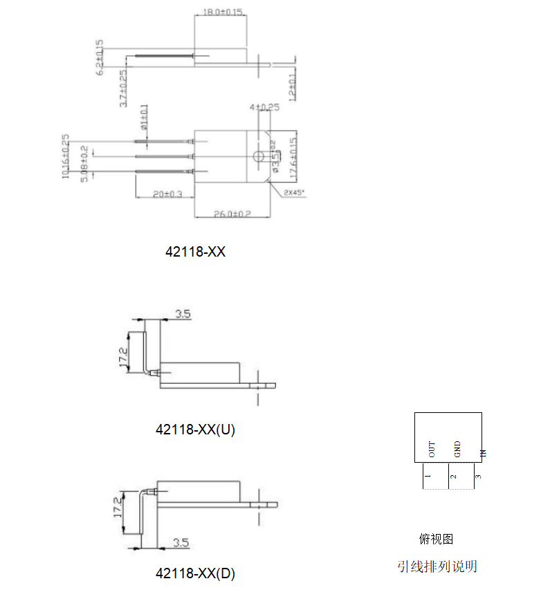
外形尺寸及引线排列说明 
型号分类 